- Úvod
- Ventilátory a rekuperace
- Ventilátory do potrubí
- Potrubní ventilátory tiché
- Tiché ventilátory TD SILENT
- TD 500/150-160 SILENT T 3V IP44 ultra tichý ventilátor s časovým doběhem
TD 500/150-160 SILENT T 3V IP44 ultra tichý ventilátor s časovým doběhem

- Akce
- TOP produkt
- Akce
- Kompletní specifikace
- Komentáře 0
- Ke stažení
- Související zboží5
TD 500/150-160 SILENT T 3V IP44 ultra tichý ventilátor s časovým doběhemSkladem10 214,00 Kč/ ks8 441,32 Kč bez DPH
TD 500/150-160 SILENT T 3V IP44 ultra tichý ventilátor s doběhem

Skříň
je z tvrzeného plastu, skládá se z konzole pro montáž na zeď nebo strop, hlukového absorbéru a motoru. Snadná demontáž motorové části připevněné pomocí rychloupínacích spon. Připojovací hrdla s gumovým těsněním.
Oběžné kolo
je diagonální, vyrobené z plastu.
Motor
Indukční motory pro TD 160–350 SILENT mají dvojí vinutí a dvoje otáčky. Ventilátory TD 500–1000 SILENT 3V mají trojí vinutí a troje otáčky. Motory mají tepelnou pojistku proti přetížení, vinutí má tropikalizační úpravu a izolaci třídy B. Kuličková ložiska mají tukovou náplň na dobu životnosti. Krytí motoru IP44. Napájecí napětí 230 V/50 Hz.
Svorkovnice
je na skříni ventilátoru, je otočná o 360° pro připojení kabelu z libovolného směru.
Regulace otáček
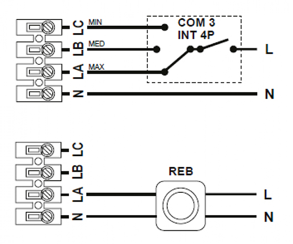
se provádí u motorů s dvojími otáčkami (TD 160–350 SILENT) ve 2 stupních pomocí regulátorů REGUL 2 nebo COM 2, případně regulátory REB (plynulá regulace) nebo REV (pětistupňová regulace). U motorů s trojími otáčkami (TD 500–1000 SILENT 3V) se regulace provádí pomocí COM 3 nebo INTER 4P případně regulátory REB (plynulá regulace) nebo REV (pětistupňová regulace). Ventilátory TD SILENT T (jedno nebo tříotáčkové dle typu) mají nastavitelný doběh 1–30 min.
Varianty
• TD SILENT – základní provedení (pro potrubí DN 100 až 315)
• TD SILENT T – provedení s nastavitelným doběhem 1 až 30 minut, jednootáčkové (pro potrubí DN 100 až 200)
Montáž
ventilátoru je možná v každé poloze ventilátoru. Skříň nesmí přenášet mechanické namáhání z potrubních rozvodů, doporučeno použít pružné připojení k potrubí.
Pokyny
Ventilátory typu TD SILENT jsou diagonální ventilátory, určené k montáži do kruhového potrubí. Jsou určeny k dopravě vzduchu bez mechanických částic, které by mohly způsobit abrazi nebo nevyváženost oběžného kola. Ventilátory nesmí být vystaveny přímému působení vlivu počasí. Ventilátory je třeba skladovat v krytém a suchém skladu. Ventilátory jsou vyráběny za nejpřísnější výrobní kontroly v systému ISO 9001.
Konstrukce ventilátoru


Technické parametry

Schéma zapojení






















